TPW EX 2GD : ATEX ZONE 1/21 VE ZONE 2/22 SAHALAR İÇİN UYGUN TRANSPALET KANTARI
Ex II 2G IIB T4 Gb X ve Ex II 2D IIIC T197°C Db X koruması ile tehlikeli alanlarda (ZONES 1 & 21 & 2 & 22) kullanım için uygun transpalet kantarı.
Ticari kullanım için onaylı versiyonu mevcuttur.
TPW EX 2GD sayesinde taşıma esnasında tartım tartım yapılabilir.
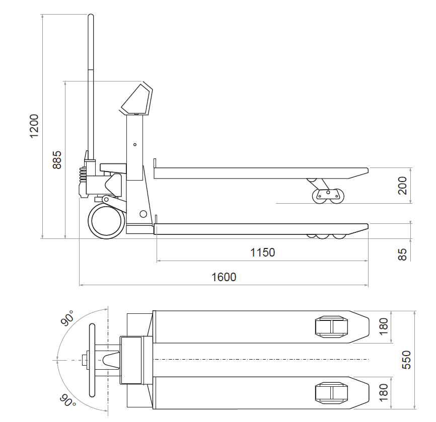
Maksimum taşıma kapasitesi 2.000 Kg.
Gösterge taksimatı 0,2Kg
Onaylı kantarlar 0,5/1 Kg iki kademeli taksimata sahiptir.
Tuşlarla sıfırlama, dara alma, brüte geçme, ayar ve kalibrasyon imkanı.
Çıkartılabilir harici bataryaya sahiptir. Tehlikeli saha içinde batarya değiştirilebilir. Batarya harici şarj cihazı ile güvenli sahada şarj edilebilir.
Tek batarya ile yaklaşık 150 saat çalışma süresi vardır. Opsiyonel şarj edilebilir ikinci bir batarya sayesinde 7/24 çalıştırılabilir.
IP68 paslanmaz çelik muhafazaya sahip ağırlık göstergesi, kolay temizlenir ve zorlu ve aşındırıcı ortamlara dayanıklıdır.
+/- 160° standart döner direksiyon tekerleği.
Kaldırma pompası 200mm kadar kaldırabilmektedir.
Opsiyonel paslanmaz çelik çatalları sayesinde alüminyum, magnezyum, titanyum ve bunların alaşımı olan hafif metalleri doğrudan tartma imkanı
Poliüretan kaplı direksiyon ve yükleme tekerlekleri.
Fırın boyalı, ekstra kalın dayanıklı çelik yapı.
Opsiyonel 100g’a kadar çözünürlük.
Farklı kapasite ve özelliklere sahip transpalet kantarı mevcuttur.
25 mm rakam yüksekliğine sahip LCD ekranı kolay okuma imkanı sağlar.

Teknik Özellikler:
|
Doğruluk Sınıfı
|
CE-M EN 45501
OIML R-76
|
|
Maksimum kapasite
|
2000 Kg
|
|
Taksimat
|
0,2 kg (Onaylı versiyonlarda 0,5 / 1 kg)
|
|
Doğruluk
|
+/- 0,5 Kg
|
|
Yapı
|
IP68, paslanmaz çelik gösterge, fırın boyalı ekstra kalın çelik yapı.
|
|
Ekran
|
25 mm düşük ışıkta da okunabilen LCD ekran.
|
|
Tuş takımı
|
17 tuşlu, su geçirmez, fonksiyonel tuş takımı.
|
|
LoadCell
|
4 adet Dini Argeo marka, Atex sertifikalı IP68 paslanmaz çelik.
|
|
Kalibrasyon
|
Tuşlarla kalibrasyon.
|
|
Fonksiyonlar
|
Sıfırlama
Dara alma
Yüksek çözünürlüklü ekran x 10.
Net/Brüt
lb/kg dönüştürme.
Toplam alma.
Formülasyon
|
|
Sıcaklık aralığı
|
-10°/+40°C
|